 |
联系人:陆红男
电话:0510-85958087 85958089
传真:0510-85957981
手机:13961813781
联系人:薛佳
手机:13912360722
地址:江苏省无锡市滨湖区南湖中路
邮编:214128
http://www.xfnvaqz.cn
E-Mail:mhgl_1954@163.com |
|
 |
| rcd |
|
| 【GLⅡ型散热排管】 |
|
|
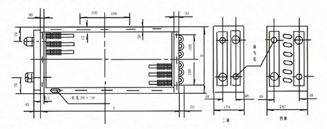
| GLⅡ型为钢制双回路(二排)或多回路(四排)的空气热交换器,翅片管用Φ18×2mm无缝钢管绕制上10×0.3mm皱折钢带而成,呈螺旋状,其片距为3.2mm,可有各种表面管数,管长,排数组成多种规格。进出水管位于同一侧,工质热源为蒸汽或高温水,冷源为低温水或盐水,可用作空气加热器或空气冷却器,是—种经济耐用通用性较强的散热器。
GLⅡ型散热器
用于造纸、化工、轻纺等企业的空调、冷却除湿等工程。因其散热管小,翅片密,所以效果佳。
GLⅡ型编号方法:
型号—排数—表面管数—表面管长(英寸)
如采用四排,表面管数为10,管长为42英寸时,则为GL‖-4-10-42。
|
|
|
|
|